- ホーム
- |
- 小ねじ類
- |
- 丸皿小ねじ
- |
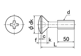
- 鉄 (+)丸皿小ねじ(ねじ部50) ユニクロ
鉄 (+)丸皿小ねじ(ねじ部50) ユニクロ
頭部は、皿頭の上部が丸くなった形状。ロゼットワッシャ-と組合せて、化粧ねじとして使われる場合もあります。ねじ部は50mmとなります。
規格:JIS B1111-1996 附属書規格
【寸法の呼び方】 (ねじの呼びd)x(長さL)
1件の商品が見つかりました
商品名
ねじの呼びd
長さL(mm)
入数
販売価格(税別)
1個あたり(税別)
詳細
-
ねじの呼びd M4長さL(mm) 70入数 300販売価格 (税別) ¥2,0101個あたり(税別) ¥6.7
