0
¥0

現在カート内に商品はございません。

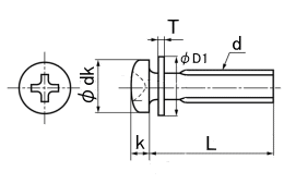
ステンレス (+)ナベPK=1

ナベ小ねじに平ワッシャー(JIS小)1枚が組み込まれたものです。ねじの製作段階において、座金類を組み込ませていますので、座金類を入れる手間が省け、また外れたりすることがないので、工程上での作業性が向上します。

規格:JIS B1188

159件の商品が見つかりました
条件クリア
商品名
ねじの呼びd
長さL(mm)
入数
販売価格(税別)
1個あたり(税別)
詳細

カテゴリ一覧

ページトップへ